|
|
|||
|
OSCILLATORI - 6 |
|||
|
|||
|
|
|||
|
Oscillatori Hartley: circuiti applicativi In figura 9 è riportato un possibile schema di un oscillatore di tipo Hartley a JFET.
Fig. 9 - Oscillatore Hartley a JFET Il guadagno Aa è dato dal coefficiente di amplificazione gm*ro del dispositivo, per cui la relazione può essere riscritta come: gm > = (L2' + M) / [rd (L1' + M)] Se e' soddisfatta la relazione sul guadagno espressa in termini dei parametri del JFET, applicando la tensione di alimentazione si ha l'autoinnesco delle oscillazioni alla frequenza voluta e il JFET passa a lavorare in classe C, stabilizzando l'ampiezza delle oscillazioni per effetto della non linearità. Il gruppo di autopolarizzazione Rg Cg è infatti previsto per il funzionamento in classe C. La sua costante di tempo deve essere maggiore del periodo di oscillazione solitamente si assume: t = RG CG = 10 / f0 Va tenuto presente che il funzionamento in classe C, caratterizzato da un maggior rendimento di conversione, è consentito solo agli oscillatori del tipo LC; per quelli del tipo RC è possibile solo la classe A, poiché la mancanza nei loro schemi di circuiti risonanti non consente di ricostruire, mediante il filtraggio delle armoniche, la sinusoidalità del segnale.
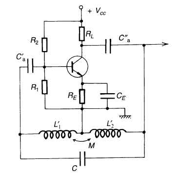
Un esempio di un schema di un oscillatore Hartley a BJT è quello mostrato in figura 10:
Fig. 10. Oscillatore Hartley a BJT La condizione di autoeccitazione, nell'ipotesi di connessione a collettore comune, può essere espressa in termini di ibridi dalla seguente relazione: (L1' + M) hfe > (L2' + M) hoehie |
|
||
|
|
|||
|
|
|||
|
|
|||