SONDA LOGICA CMOS - 2



CIRCUITO DELLA SONDA CMOS

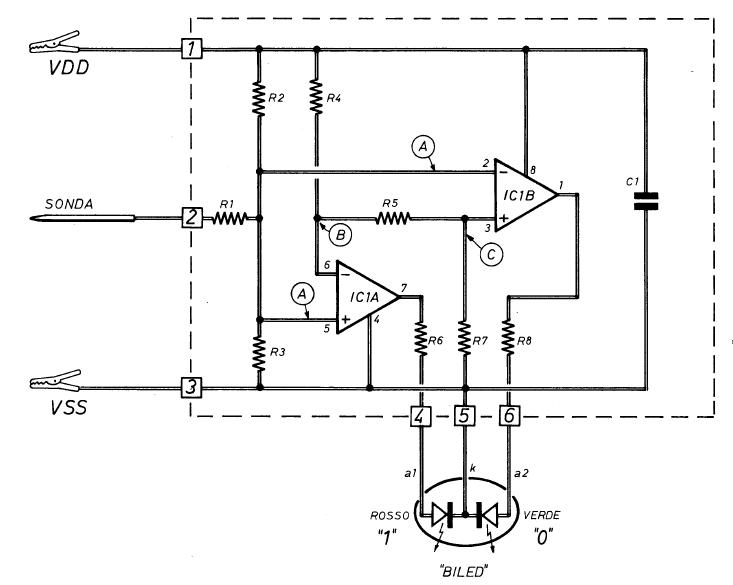
Il circuito della sonda, cioè dell'indicatore di stato logico dei circuiti CMOS, e’ quello riportato in figura 1. 

Fig. 2 - Circuito elettrico dell'indicatore di stato logico per dispositivi in cui sono montati gli integrati CMOS.

COMPONENTI

Resistori

Condensatori

Varie

R1 = 47.000 ohm

R2 = 1 mega ohm

R3 = 1 mega ohm

R4 = 47.000 ohm

R5 = 47.000 ohm

R6 = 100 ohm

R7 = 47.000 ohm

R8 = 100ohm

C1 = 100nF

IC1 = LM 358 P

BILED = doppio led (rosso – verde)

Esso utilizza un integrato di tipo LM358 P, il quale e’ contenuto in un elemento plastico ad otto piedini e può essere assimilato a due distinti amplificatori operazionali di tipo uA74l (IC1A - IC1B). Ma l’integrato LM 358 P si differenzia dall'operazionale upA741 per la diversa gamma di tensioni di alimentazione. In particolare, l’LM 358 P può funzionare con tensioni basse come i CMOS. Ma passiamo senz'altro all'esame del funzionamento del circuito di figura 1. Le resistenze R2 - R3 stabiliscono il valore della tensione sul punto A. Tuttavia, essendo queste di uguale valore, ossia di 1 mega-ohm, sul punto A e’ presente la tensione positiva di alimentazione VDD (figura 4) divisa per due. Facciamo un esempio: se il circuito e’ alimentato con la tensione di 12 V, sul punto A sono presenti 6 V. Ma, attenzione! Per misurare questi 6 V, non e’ possibile servirsi di un tester normale, mentre occorre utilizzare un tester elettronico con impedenza d'ingresso elevata, che non carichi la resistenza R3. Se si utilizza un normale tester analogico, da 20.000 ohm x volt, si rileva il valore di tensione di 1V – 2V, ovviamente senza alcun segnale applicato all'entrata. Con il voltmetro elettronico, mantenendo valido l'esempio citato, si rilevano i seguenti valori di tensioni nei punti A - B - C del circuito: 6 V - 7,3V - 4,8 V. 
Il circuito integrato LM 358 P svolge la funzione di un doppio comparatore. Il primo stadio e’ montato in configurazione non invertente (IC1A). Ovvero, quando il segnale d'ingresso, riportato dalla resistenza R1 sul piedino 5, supera il valore della tensione presente sul piedino 6, l'uscita, che si identifica con il piedino 1, diventa alta, cioe’ prossima al valore della tensione di alimentazione positiva. Pertanto, un segnale alto in ingresso accende il diodo led rosso. Il secondo stadio (IC1B) e’ collegato in configurazione invertente, ossia, quando il segnale d'ingresso, riportato sul piedino 2, e’ inferiore alla tensione di riferimento del piedino 3, l'uscita diventa alta, cioè si avvicina al valore positivo della tensione di alimentazione. Quindi un livello basso all'ingresso accende il diodo led verde. Tutto ciò e’ ben sintetizzato nello schema di figura 4, nel quale si vede come, nei circuiti integrati CMOS, la massa o "zero" o, meno esattamente la tensione negativa di alimentazione, prende il nome di VSS, mentre lo stato logico " 1" viene definito con la sigla VDD. Riassumendo, se nel circuito il segnale supera il 70% VDD, si ha lo stato logico " 1 ". Se il segnale assume un valore tra il 30% VDD e il 70% VDD, si ha lo stato "X", che e’ anomalo, inadatto ai circuiti logici e quindi causa o rivelazione di cattivo funzionamento di un componente. Dal 30% VDD all'ingiù’, si ha lo stato logico "0".