DIODO ZENER - 4




STABILIZZATORE DI TENSIONE: DIMENSIONAMENTO  CIRCUITALE

 

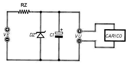
lI circuito pubblicato in figura 8 rappresenta l'esempio più classico di impiego di un diodo zener, in veste di elemento stabilizzatore della tensione di alimentazione di un carico elettrico. 

 

classico circuito stabilizzatore di tensione           

  Fig. 8 -  classico circuito stabilizzatore di tensione

 

Questo circuito si ripete spesso nella pratica elettronica e si può riscontrare in molti apparati utilizzatori.

Un solo calcolo deve essere eseguito per comporre il progetto di figura 8, quello che porta a definire il valore esatto della resistenza di zener RZ, note che siano la tensione di entrata disponibile VE, quella richiesta dal carico VU, che coincide con la tensione dello zener Vz, la corrente minima che deve circolare attraverso lo zener Iz e quella che viene assorbita dal carico Ic.

Per maggior chiarezza, elenchiamo qui di seguito le grandezze note ora menzionate:  

VE = tensione d'entrata ; 

Vz = tensione del diodo;

  VU = tensione uscita;

 Iz = corrente min. nel diodo;

 Ic= corrente nel carico.

Supponiamo che il carico del circuito di figura 8 richieda una tensione di alimentazione VU pari a 5,6 V con un assorbimento di corrente Ic di 0,1 A e che la tensione di alimentazione del circuito VE sia di 12 V. In tal caso si deve utilizzare uno zener da 5,6V - 1 W, che è lo stesso impiegato negli esperimenti descritti in precedenza. Per determinare il valore della resistenza RZ del circuito di figura 9, occorre applicare la seguente formula:

 

RZ = ( VE - Vz ) / ( Iz + Ic )

 

nella quale, lo ripetiamo, Iz rappresenta il valore minimo della corrente che deve scorrere attraverso lo zener  e che si valuta nella misura di un decimo della corrente massima Iz_max tollerata  dallo stesso zener.  Pertanto la potenza massima  Pz dissipabile dallo zener e': 

Pz = Vz . Iz_max 

da cui si ricava:

Iz_max = Pz / Vz

da quanto detto prima Iz e' data da:

Iz = Izmax / 10

 

Sostituendo i valori si ha:

Iz_max = 1 / 5,6 V = 0,178 A 

 

Iz = 0,178 A : 10 = 0,0178 A 

Quindi RZ vale:

RZ = (12- 5,6 ) / (0,0178  + 0,1 ) = 54.7 ohm

 

 

Il valore trovato per Rz è di 54.7 ohm può essere approssimato a 56 ohm per favorire la reperibilità commerciale

 

Il valore della potenza di dissipazione PRz di Rz vale:

 

PRz = ( VE - Vz ) ( Iz + Ic )  = 6.4 x 0.117 = 0,76W 

 

Si può scegliere un resistore dal valore si 56 ohm e di potenza di 1W.

Fra le ipotesi iniziali per il calcolo della resistenza RZ, al diodo zener da 5,6 V è stato attribuito, un po' arbitrariamente, il valore di potenza di 1 W, giacché le potenze in gioco, nel circuito di figura 8, potevano essere valutate in misura inferiore ad 1 W. 

 Per la precisione, riportiamo il calcolo che consente di calcolare la potenza da attribuire allo zener prescelto quando la corrente del carico Ic e' variabile tra questo il valore massimo di 0.1 A ed il minimo di 0,02 A. Nel caso in cui il carico assorba il valore minimo di corrente, il diodo zener si fa carico di condurre tutta la corrente in più che il carico non sta assorbendo. Più precisamente il diodo si fa carico della corrente differenza tra il valore massimo e minimo  di assorbimento del carico. Cio e' dovuto al fatto che VE, Vz e Rz  sono fissati  e la corrente in Rz  e' sempre la stessa qualunque sia il valore della corrente del carico. quindi la corrente massima che attraversa il diodo e':

 

0,1 A - 0,02 A = 0,08 A

 

ma a questa occorre aggiungere la corrente minima in precedenza valutata Iz, ovvero:

 

0,08 A + 0,017 A = 0,097 A  

che rappresenta la vera massima corrente che scorre attraverso lo zener. Dunque, la potenza da questo dissipata vale:  

Pz = 5,6 V x 0,097 A = 0,54 W

 

Si può ora concludere questa breve, ma pur semplice sequenza di operazioni, affermando che l'impiego di uno zener da 1 W di potenza è il più consigliabile nella composizione del progetto di stabilizzatore di tensione pubblicato in figura 8.
Il condensatore C1, che in sede di montaggio dello stabilizzatore di figura 8 deve essere applicato nelle immediate vicinanze del diodo zener
DZ, assume valori capacitivi compresi fra 0,1 uF e 25 uF, a seconda del tipo di applicazioni circuitali cui è destinato. La sua funzione consiste nell'eliminare i rumori o soffi che lo zener può generare e che talvolta possono rivelarsi assai fastidiosi se non proprio intollerabili.